DIN 582 Female lifting eye bolt
€0.70
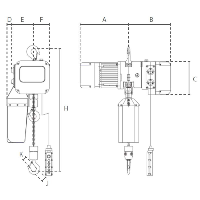
Dimension en millimètre
| Ref | WLL (Tonne) | Speed(m/min) | Chain | Nb brain | Power(Kw) | Weight | Kg/m | A | B | C | D | E | F | H | J | K |
|---|---|---|---|---|---|---|---|---|---|---|---|---|---|---|---|---|
| DTS.00252 | 0.25 | 7/2.3 | 5x15 | 1 | 0.45/0.15 | 50 | 0.7 | 307 | 307 | 214 | 80 | 142 | 102 | 460 | 40 | 25 |
| DTS.00502 | 0.5 | 7.6/2.5 | 6.3x19 | 1 | 0.9/0.3 | 51 | 0.9 | 334 | 307 | 214 | 80 | 142 | 102 | 470 | 40 | 25 |
| DTS.01002 | 1 | 5/1.7 | 8x24 | 1 | 1.1/0.37 | 57 | 1.5 | 354 | 307 | 214 | 80 | 142 | 102 | 520 | 45 | 31 |
| DTS.02202 | 2 | 2.5/0.85 | 8x24 | 2 | 1.1/0.37 | 64 | 3 | 354 | 307 | 214 | 80 | 185 | 59 | 760 | 53 | 38 |
| DTS.03002 | 3 | 6/2 | 11.2x34 | 1 | 3/1 | 116 | 2.7 | 481 | 336 | 260 | 80 | 185 | 165 | 695 | 53 | 38 |
| DTS.05002 | 5 | 3/1 | 11.2x34 | 2 | 3/1 | 130 | 5.4 | 481 | 336 | 260 | 80 | 240 | 110 | 910 | 75 | 52 |
Dimensions et caracteristiques