04 42 32 44 28
FABRICATION & EXPERTISE-FRANCO DÈS 300€ HT
MES VGP
CATALOGUE
CONTACT
fr
fr
en
Levage
Chaine de levage
Elingue câble
Accessoire
Anneau de levage
Crochet de levage
Manille
Maille de tete et maillon
Pince de levage
Appareil
Palan
Aimant
Treuil
Sangle
Palonnier
Manutention
Câble
Standard
Ascenseur
Grue
Cordage
EPI
Levage
Chaine de levage
Elingue câble
Accessoire
Anneau de levage
Crochet de levage
Manille
Maille de tete et maillon
Pince de levage
Appareil
Palan
Aimant
Treuil
Sangle
Palonnier
Manutention
Câble
Standard
Ascenseur
Grue
Cordage
EPI
What are you looking for?
Your Cart
No products in the cart.
0 articles
0,00 €
Livraison
Total
0,00 €
0,00 €
Demander un devis
Accueil
Levage
Accessoire
Crochet de levage
Crochet de verrouillage automatique à émerillon
Crochet de verrouillage automatique à émerillon
REF
EBCVE07/08
Catégorie
Crochet de levage
Prix:
16,30 €
HT
Norme En 1677
Cmu de 2 000 à 15 0000 Kg
Cmu et Ce frappé à froid
Grade 80 à émerillon
Charge Maximale Utilisation
2000 Kg
3150 Kg
5300 Kg
8000 Kg
12 500 Kg
15 000 Kg
Livraison 48H - 72 H
Ajout Panier
Demande de devis
Description
Doc Technique
CMU
Poids (Kg)
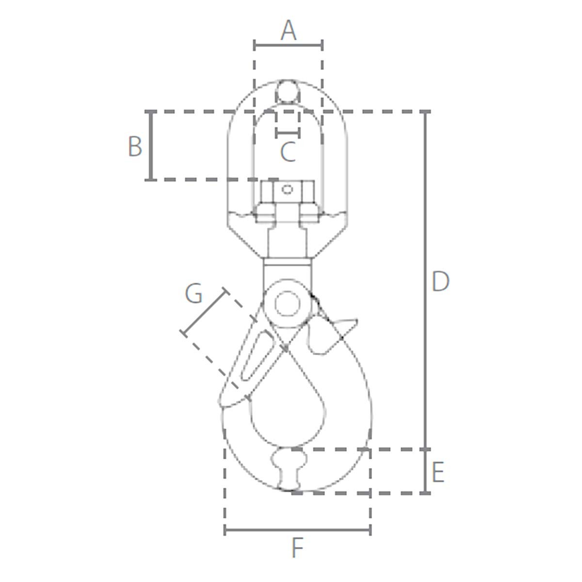
A
B
C
D
E
F
G
1.12 T : chaine Ø6mm
0.7
33
26
12
152
20
32
28
2 T : chaine Ø8mm
1.2
36
30
13
189
26
40
35
3.15 T : chaine Ø10mm
2
42
39
15
223
30
48
45
5.3 T : chaine Ø13mm
3.6
50
41
16
267
40
57
53
8 T : chaine Ø16mm
7.3
61
58
21
339
51
65
63
12.5 T : chaine Ø20mm
10.7
72
63
27
370
55
82
82
15 T : chaine Ø22mm
17.5
97
98
31
466
67
80
76
Dimension en mm
Catégorie
Crochet de levage
Cela peut vous interesser
Quick View
Manille Lyre HR à axe vissé
1,35 €
Quick View
Elingue ronde sans fin (Estrope) CMU 1000 Kg
2,10 €
Quick View
Elingue ronde sans fin (Estrope) CMU 2000 Kg
3,70 €